









Land Parcel
Towers
Floors
Config
Carpet Area
RERA NO.
Possession Status
Target Possession
RERA Possession
Litigation
Oree Bhugaon Project Overview
Oree Cloud 28 Project will be constructed on 3.25 acres of land parcel, 4 towers with G+18 floors having 2 BHK, 3 BHK premium residences .
Oree Cloud 28 location
Project is located Near Mulshi Road, CP Chondhe Lake, Bhugaon, Pune with -
Manas Lake - 2.7km
Ryan International School Bavdhan - 2.7km
Chandani Chowk - 3.4km
Oree Cloud 28 Bhugaon Project Amenities
First is Internal amenities -
Vitrified Tiles, Granite Kitchen, Aluminum Sliding Windows, Generator Backup, SS Sink, Internal Walls Finished With Smoooth Coating Of Gypsum, Exhaust Fan, many more
Oree Reality Bhugaon External Amenities
Project has 50+ luxurious amenities with likes of -
Club house
Gymnasium
Multipurpose court
Multipurpose hall
Swimming pool & Many More
Oree Reality Cloud 28 Bhugaon Parking -
Project has One type of car parking facility -
1) Ground
Oree Cloud 28 Possession -
Rera Possession - December 29
Target Possession - June 2027
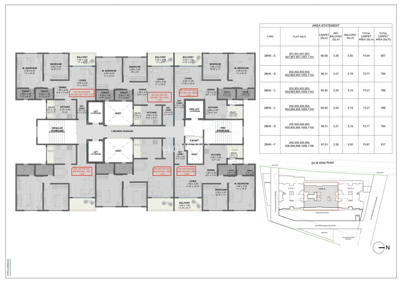
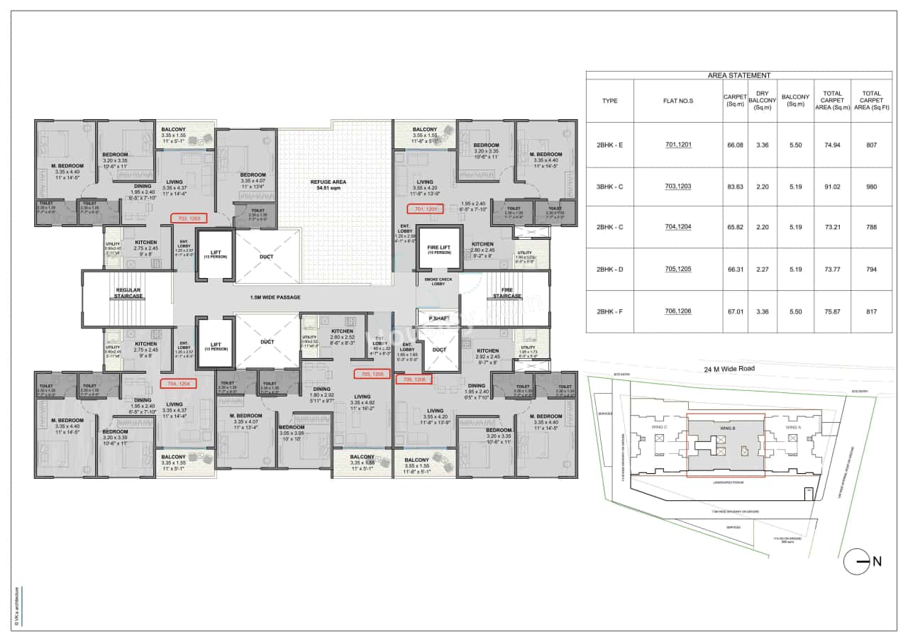
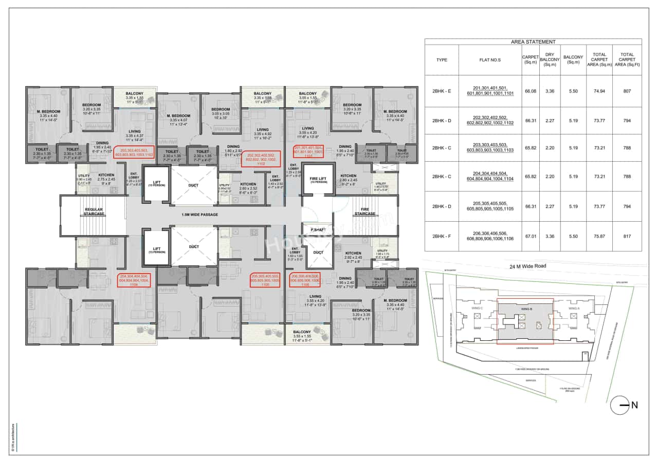
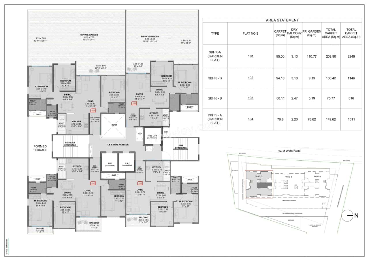
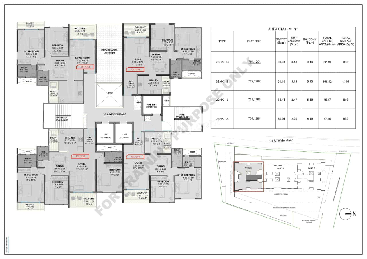
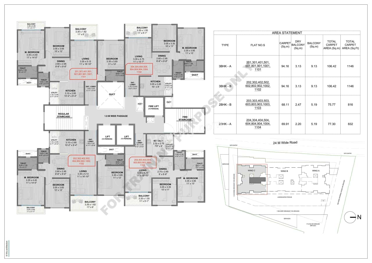
Carpet Area & Floor Plan
Oree Cloud 28 Bhugaon project has 2BHK, 3BHK, premium residences with -
2BHK - (788 to 832) sqft
3BHK - 1146 sqft
4BHK - (1601 to 1611)
Oree Cloud 28 floor plan
Tower floor plan will have 4 flats 2 lifts & 1 staircases on each floor
Maintenance -
Oree Cloud 28 Pune Project maintenance varies with the configuration and the carpet area which are as follows-
2BHK - Rs (3500 - 4100) per month
3BHK - Rs 5700 per month
4BHK - Rs (8000 - 8100) per month
Cloud 28 Bhugaon project sample flat is ready to view at the site.
Cloud 28 Prices & its details can be found in the price section & Oree Cloud 28 Bhugaon brochure can be downloaded from the link mentioned below. Project has been praised by the home buyers & Oree Reality Bhugaon review is 4 out of 5 from over all the clients who have visited the site
Near Mulshi Road, CP Chondhe Lake, Bhugaon, Pune

Pros
Cons
Vitrified Tiles
Granite Kitchen Platform
Stainless Steel Sink
D.G Backup
Exhaust Fan
Swimming Pool
Club House
Kids Play Area
Jogging Track
Multi Purpose Court
Golf Course
Senior Citizen Area
Kids Pool
Cricket Pitch
Yoga Zone
Pool deck
BBQ Lawn
Pet Park
Jacuzzi
Indoor games
+3 More









| Carpet Area | All Inc. Price (Inc. of Taxes & Charges) | Min Downpayment (Inc. Taxes) | Parking | Unit Plan |
|---|---|---|---|---|
788 sqft | 78.82 Lacs All In | 12.00 Lacs | 1 | ![]() |
832 sqft | 83.83 Lacs All In | 13.00 Lacs | 1 | ![]() |
794 sqft | 79.42 Lacs All In | 12.00 Lacs | 1 | ![]() |
807 sqft | 80.71 Lacs All In | 12.00 Lacs | 1 | ![]() |
816 sqft | 81.61 Lacs All In | 12.00 Lacs | 1 | ![]() |
817 sqft | 81.71 Lacs All In | 12.00 Lacs | 1 | ![]() |

Is there any litigation against this proposed project:
NoCommencement Certificate Oree Cloud 28
Legal Title Report Oree Cloud 28
Layout Plan Oree Cloud 28
Note: You can download more detailed documents by following this link
Oree Reality

1 CityLocations
Pune

480 - 500 sqft
Paranjape Schemes
Developer
500 - 1000 sqft
Paranjape Schemes
Developer



1002 - 2784 sqft
Paranjape Schemes
Developer


1500 - 7000 sqft
Paranjape Schemes
Developer



774 - 1224 sqft
Nirmitee Unicons Infra
Developer
895 - 1382 sqft
Paranjape Schemes
Developer

765 - 1001 sqft
Kolte Patil Developers
Developer
Housiey Legal: Free Real Estate Legal Consultation
Get Expert Advice on RERA, Builder Refunds, Area Mismatch, Stuck Projects & More - at No Cost!